Camloc Tension Latches 65L Series

Features

  • Adjustment compensates for varying panel and frame.
  • Single hole mounting for quick installation.
  • May be installed to rotate right or left for lock-up.
  • Built-in pawl position indicator.
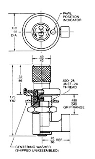
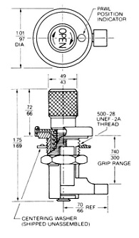
65L latches

Clockwise Locking Rotation

.480/.040 Grip Range

64L slotted

Clockwise Locking Rotation

.740/.300 Grip Range

64L hex recess

Counterclockwise Locking Rotation

.480/.040 Grip Range

64L wing

Counterclockwise Locking Rotation

.740/.300 Grip Range

64L plastic wing
   

Description

Material

Part No.

Weight Per Piece (lbs.)

Locking Rotation

Grip Range

Housing

Pawl

Knob and Washer

Clockwise

.480/.040

Zinc (Cadmium Plated)

Aluminum (Anodized)

Steel (Cadmium Plated, Yellow Iridescent Chromate)

65L1-1R1AA

.077

.740/.300

65L1-2R1AA

.076

.480/.040

Steel (Cadmium Plated, Clear Chromate)

65L1-1R1AB

.077

.740/.300

65L1-2R1AB

.076

CounterClockwise

.480/.040

Steel (Cadmium Plated, Yellow Iridescent Chromate)

65L1-1L1AA

.077

.740/.300

65L1-2L1AA

.076

.480/.040

Steel (Cadmium Plated, Clear Chromate)

65L1-1L1AB

.077

.740/.300

65L1-2L1AB

.076

H-46
Overview H-1 Typical Applications H-2 Electronic Equipment H-3 Tension Latches H-4 Tension Latches H-5
Light Duty Tension Latches H-6 Light Duty Tension Latches H-7 30L Series H-8 34L Series H-9 95L Series H-10
96L Series H-11 47L Series H-12 Custom Latches H-13 Medium Duty Latches H-14 Medium Duty Latches H-15
20L Series H-16 20L Series H-17 20L Series H-18 29L Series H-19 51L Series H-20
51L Series Specs H-21 51L Series Strikes H-22 51L Installation Data H-23 69L Series Features H-24 69L Series Strikes H-25
When to Use Latches H-26 Heavy Duty Tension Latches H-27 17L Series H-28 18L Series H-29 37L Series H-30
37L Series Specs H-31 37L1/37L11/37L25 H-32 37L Strikes/Specs H-33 37L Attachments H-34 37L Seam Data H-35
137L Series H-36 46L Series H-37 49L Series H-38 46L/49L Installation H-39 58L Series H-40
58L Installation H-41 Pawl Latches H-43 64L Series H-44 64L Installation H-45 65L Series H-46
65L Installation H-47 106L Features H-48 106L Series H-49 106L Installation H-50 106L Attachments H-51
122L/123L Series H-52 122L Series H-53 123L Series H-54 122/123L Installation H-55 Panel Latches H-56
Actuated Latches H-57 KM610/KM680 Series H-58 KM610/KM680 Installation H-59 118L Series H-60 118L Installation H-61
104L Series H-62 PT104L Series H-63 119L Series H-64 119L Installation H-65

 

Home Page | About Us | Services Offered | Line Card | Ordering Info | Site Map | Terms & Conditions | Search Our Inventory | Product Specialties | Our Thoughts | Quick RFQ | Privacy Policy | Contact Us

JetTek Web Site All Rights Reserved - 2006-2011